+91-1762-231491, 231334
Material : Copper BS 1977:1976 & IS 1897
Surface : Tin Plated
|
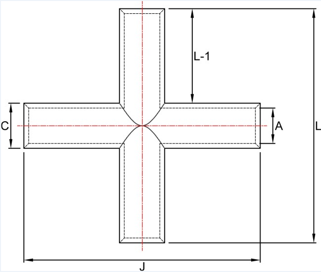
Dimensions in mm
|
||||||
|
Cable Size mm2 |
A |
C |
J |
L |
L-1 |
ASCON CAT. NO. |
|
1.5 |
1.8 |
3.3 |
30 |
30 |
12 |
ACCC-1.5 |
|
2.5 |
2.3 |
4.2 |
30 |
30 |
12 |
ACCC-2.5 |
|
4 |
3 |
5 |
30 |
30 |
12 |
ACCC-4 |
|
6 |
4 |
6 |
35 |
35 |
14 |
ACCC-6 |
|
10 |
4.5 |
7 |
35 |
35 |
14 |
ACCC-10 |
|
16 |
5.5 |
8.5 |
50 |
50 |
21 |
ACCC-16 |
|
25 |
7 |
10 |
55 |
55 |
23 |
ACCC-25 |
|
35 |
8.5 |
12 |
70 |
70 |
30 |
ACCC-35 |
|
50 |
10 |
14 |
80 |
80 |
34 |
ACCC-50 |
|
70 |
12 |
16.5 |
85 |
85 |
35 |
ACCC-70 |
|
95 |
13.5 |
18 |
90 |
90 |
36 |
ACCC-95 |
|
120 |
15 |
19.5 |
95 |
95 |
38 |
ACCC-120 |
|
150 |
16.5 |
21 |
110 |
110 |
44 |
ACCC-150 |
|
185 |
19 |
24 |
115 |
115 |
45 |
ACCC-185 |
|
240 |
21 |
26 |
130 |
130 |
52 |
ACCC-240 |
Copyrights © 2018 by Ascon Engineering Industries, All Rights Reserved. Designed & Developed by Phoenix Creation.